
廣州市增城廣深大道希爾頓歡朋酒店近日成功引進百實酒店智能化管理系統,將全面提升酒店的運營效率和服務質量。通過智能化管理,酒店能更精準地滿足賓客需求,提供個性化服務。此舉標志著增城廣深大道希爾頓歡朋酒店在智能化發展道路上邁出了堅實的一步。

一、客戶介紹
廣州市增城希爾頓歡朋酒店位于廣州市增城區新塘鎮廣深大道西,酒店毗鄰碧桂園鳳凰城,是一家按照國際品牌標準建設的高端品牌。希爾頓歡朋酒店是希爾頓旗下的國際中高端商務連鎖酒店品牌,于1984年在美國孟斐斯市開設了全球首家酒店。該品牌于2014年10月30日正式進入中國市場,截至2023年12月,已在中國簽約超過760個項目,開業超過330家酒店。為每一位賓客提供難忘的歡朋體驗,廣州增城廣深大道希爾頓歡朋酒店百實酒店智能化管理系統進行升級酒店設備與酒店住客體驗。
希爾頓歡朋酒店不僅提供了包括免費健康熱早餐、免費高速WiFi、清爽睡床等全球范圍內廣受歡迎的特色服務,還融入了中國本地化特色的設施與服務,以滿足中國賓客的需求。希爾頓歡朋酒店以“友善、可靠、關懷、周全”的服務為核心理念,為每一位賓客提供難忘的歡朋體驗。自進入中國以來,希爾頓歡朋酒店已經接待了超過2000萬人次的賓客,并獲得了極高的客戶滿意度。全國酒店的累計網評平均得分超過4.89,客戶表揚率高達96.5%,充分展現了其在中高端酒店市場中的強大競爭力和卓越口碑。

二、本次項目實施內容:
●基礎網絡系統工程;
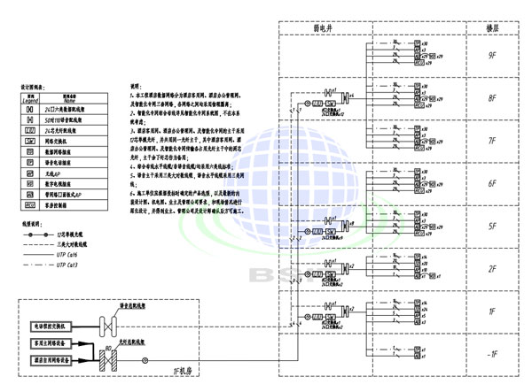
●綜合布線系統工程;

●機房建設系統工程;
●背景音樂系統工程;
●電話交換系統工程;
●有線電視系統工程;
●IP廣播系統工程;

●弱電UPS配電系統工程;
●出入口門禁管理系統工程;
●客房控制系統工程;


●視頻監控及求助報警系統;
●無線覆蓋系統工程;
●LED顯示屏系統工程;
●智能化專網系統工程;
三、項目實施成效:
1、高效的管理與運營:通過智能系統,酒店可以實時監控客房狀態、客戶需求等信息,從而做出更科學的決策。同時,智慧酒店能有效減少人力成本,提高運營效率。
2、安全可靠的保障:智慧酒店解決方案通過先進的安防系統,實現全方位的監控和預警,確??腿撕途频甑陌踩4送?,智能系統還能有效防止信息泄露和非法入侵,保障客人的隱私安全。
3、綠色環保的可持續發展:智慧酒店解決方案積極響應綠色環保理念,通過智能節能系統,實現能源的高效利用和浪費的減少。同時,智慧酒店還能推動循環經濟的發展,減少對環境的影響,為可持續發展貢獻力量。
4、提升客戶體驗:智慧酒店采用各種技術手段,如物聯網、互聯網平臺、手機APP等,為客戶帶來便捷舒適的新體驗??蛻艨梢酝ㄟ^手機完成從預訂到退房的全過程,享受全屋燈光控制、智能設備控制等便捷服務,從而提高客戶滿意度和回頭率。
5、創新空間與多元化經營:隨著科技的不斷發展,智慧酒店解決方案的創新空間也在不斷擴大。同時,智慧酒店也為酒店創造了多元化的經營機會,不再局限于傳統的房費盈利模式,可以通過提供增值服務、數據分析等方式實現收入的多元化。

四、智慧酒店解決方案供應商——百實科技
百實智慧酒店公司是一家專注于智慧酒店解決方案的創新型企業,致力于通過科技手段提升酒店的運營效率、客戶體驗和安全管理水平。公司憑借豐富的行業經驗和強大的技術實力,為酒店業提供了一站式、全方位的智慧化改造服務。
百實智慧酒店公司的核心團隊由一批具有深厚酒店背景和IT技術專長的專業人士組成,他們深入洞察酒店業的需求和痛點,通過自主研發和引進國際先進技術,為酒店量身打造高效、穩定、安全的智慧化解決方案。
公司的主要產品和服務包括:客房智能化控制系統、智能門鎖系統、智能安防監控系統、智能能效管理系統等。這些系統能夠實現對酒店各項設備和服務的智能化控制和管理,提高酒店的運營效率和客戶滿意度。百實智慧酒店公司以其專業的技術團隊、豐富的行業經驗和創新的解決方案,在智慧酒店領域取得了顯著的成就和口碑,為酒店業的智能化升級和發展做出了積極貢獻。
上一篇:東莞寮步松山湖大道希爾頓歡朋酒店
下一篇:無錫麗芮酒店
微信


電話

返回頂部
